ÄúºÃ£¬»¶ÓÀ´µ½k8¿·¢¼¯ÍŹٷ½ÍøÕ¾£¡ ¼ÓÈëÊÕ²Ø | ÉèΪÊ×Ò³ ÖÐÎÄÕ¾ / Ó¢ÎÄÕ¾£¨EN£©

|
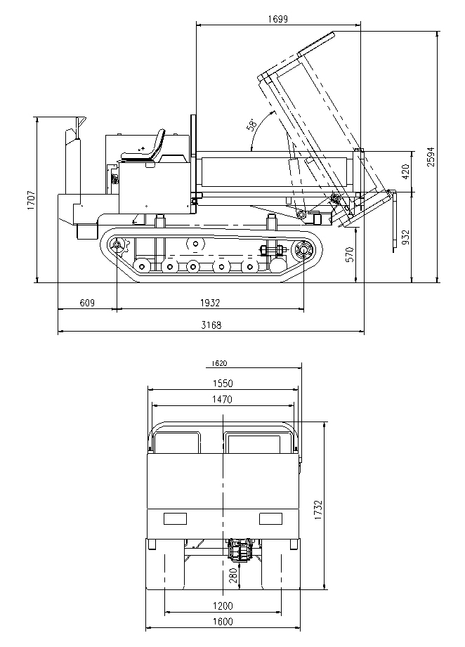
ÐͺŠ|
GN40 |
||
|
¶î¶¨ÔØºÉ |
kg |
2000 |
|
|
Õû»úÖØÁ¿ |
kg |
2280 |
|
|
·¢¶¯»ú¹¦ÂÊ |
kw |
40 |
|
|
ËÙ¶È |
µÚÒ»µµ |
km/h |
0-4.6 |
|
µÚ¶þµµ |
0-5.4 |
||
|
µÚÈýµµ |
0-8.0 |
||
|
Ïð½ºÂÄ´ø³ß´ç |
400*90*54 |
||
|
Õû³µ³ß´ç |
³¤¶È |
mm |
3168 |
|
¿í¶È |
mm |
1620 |
|
|
¸ß¶È |
mm |
1732 |
|
|
ÂÖ¾à |
mm |
1932 |
|
|
ÀëµØ¾»¸ß |
mm |
280 |
|
|
½ÓµØ±Èѹ |
¿ÕÔØ |
Kpa |
20.2 |
|
ÂúÔØ |
37.9 |
||
|
²ù¶·ÈÝÁ¿(Level) |
m3 |
1 |
|
|
×î´óÇãб½Ç¶È |
58¡ã |
||
|
Ð¶ÔØ¸ß¶È |
mm |
570 |
|
|
ÔØÌåÇ㵹ʱ¼ä(From Level to Tilt) |
s |
5 |
|
|
Һѹϵͳ |
Һѹ´«¶¯ |
||
|
ϵͳѹÁ¦ |
MPA |
16 |
|
|
ÓÍÏäÈÝÁ¿ |
L |
48 |
|


Add£ºÖйú-¼ÃÄþ-¹ú¼Ò¸ßм¼Êõ²úÒµ¿ª·¢ÇøÉ½²©Â·8ºÅ
Tel£º400-086-1276
E-Mail£ºservice#wolwa.cn(½«#»»³É@)

¹Ù·½Î¢ÐŶþάÂë
Copyright Right ? 2005 www.wolwa.cn Powered By k8¿·¢¼¯ÍÅÓÐÏÞ¹«Ë¾ ³ICP±¸10206551ºÅ